Build Blueprint
30' x 46' Lean Cottage Architectural Plans
30' x 46' Lean Cottage Architectural Plans
Couldn't load pickup availability
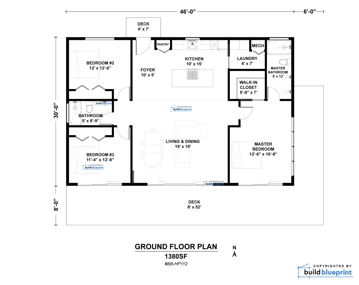
1380 SF (30'W x 46'L x 16'-10"H) |
3 Bedroom / 2 Bathroom / 1 Loft |
Concrete Piers or Concrete Slab or Crawl Space |
Roof Load: 95 PSF |
Ceiling Height: 8'-0" to 16'-7" |
Est. Materials Cost: $90,000* |
The perfect 3 bedroom and 2 bathroom modern lean-style roof cabin, suitable for primary resident, ADU or short-term leasing. This is the complete architectural plan set, with budget friendly and easy-to-build lean style roof! These plans are ready for construction, and suitable to be built on any plot of land. This cottage is complete with a large front deck, high ceilings, an optional sleeping loft, large windows for natural light, and washer/dryer. 3 Foundation options included: concrete slab, concrete pier, and crawl-space foundation.
The plans include 12 sheets: Materials List, Floor Plans, Elevations, Foundation Plan, Roof Framing Plan, Electrical Plan, Construction Details, and Door/Window Schedule, fully dimensioned and annotated. The total heated interior is 1380SF, with 8'-0" - 15'-6" high ceiling. Plans are designed per US standards. CAD files are available for purchase as an add-on, please message me for more information.
Plans are copyrighted by Build Blueprint, and intended for personal builds only.
Instant Digital Download
Instant Digital Download
You will receive the download link to the full plan immediately after your purchase. Link never expires so you will always have access to download if needed.
Drawing Scale
Drawing Scale
All of our plans are drawn to standard scale (i.e. 1/4" = 1") as per most building and permit requirements.











Complete Plan Set
All plans include: materials list, floor plan, elevations, sections, foundation and roofing plan, electrical plan, plumbing fixture locations, construction details, door and window schedule, and more.